企業短路電流超標治理應用場景
通過將快速開關與匹配阻抗并聯,在識別故障后快速將阻抗投入電路,最大程度上限制短路電流,保障下端斷路器分斷、減少對設備的沖擊、消除短路電流帶來的電動力。
并聯運行的系統場景
兩臺或多臺主變并聯運行的系統,ZLB可安裝在母聯位置,降低另一邊系統提供的短路電流,為并網運行提供安全保障。

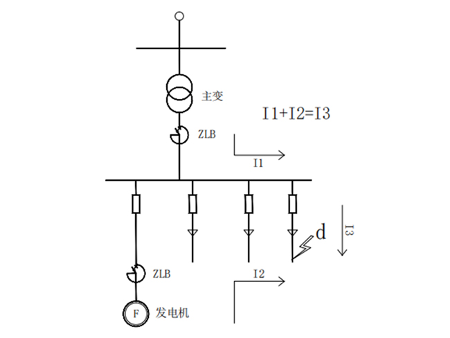
電源側限流場景
對于短路電流超標的場合,ZLB零損耗深度限流裝置應用于系統電源側,如主變低壓側或發電機出口,系統支路發生短路,ZLB通過加大電源側的阻抗,降低電源側對短路點提供的電流,達到限制系統總的短路電流的目的。